Teka Einbaubecken FLEXLINEA RS15 27.40 Edelstahl
>> Spüle für die Einbauarten aufliegender Einbau / flächenbündiger Einbau / Unterbau.
Flächenbündiger Einbau und Unterbau nur bei Stein-Arbeitsplatten empfohlen.
Die FlexLinea RS 15 Spüle unterscheidet sich durch ihre Vielseitigkeit in allen Bereichen.
Sie wird mit einem SilentSmartSystem geliefert, wodurch eine Reduzierung der Wassertropf- und Einlaufgeräusche um 50 % erreicht wird.
Ausführungen:
- Material / Oberfläche: Edelstahl glatt
- Spülen-Randprofil: Unterbau, flächenbündiger Einbau, aufliegend mit Flachrand
Maße / Details:
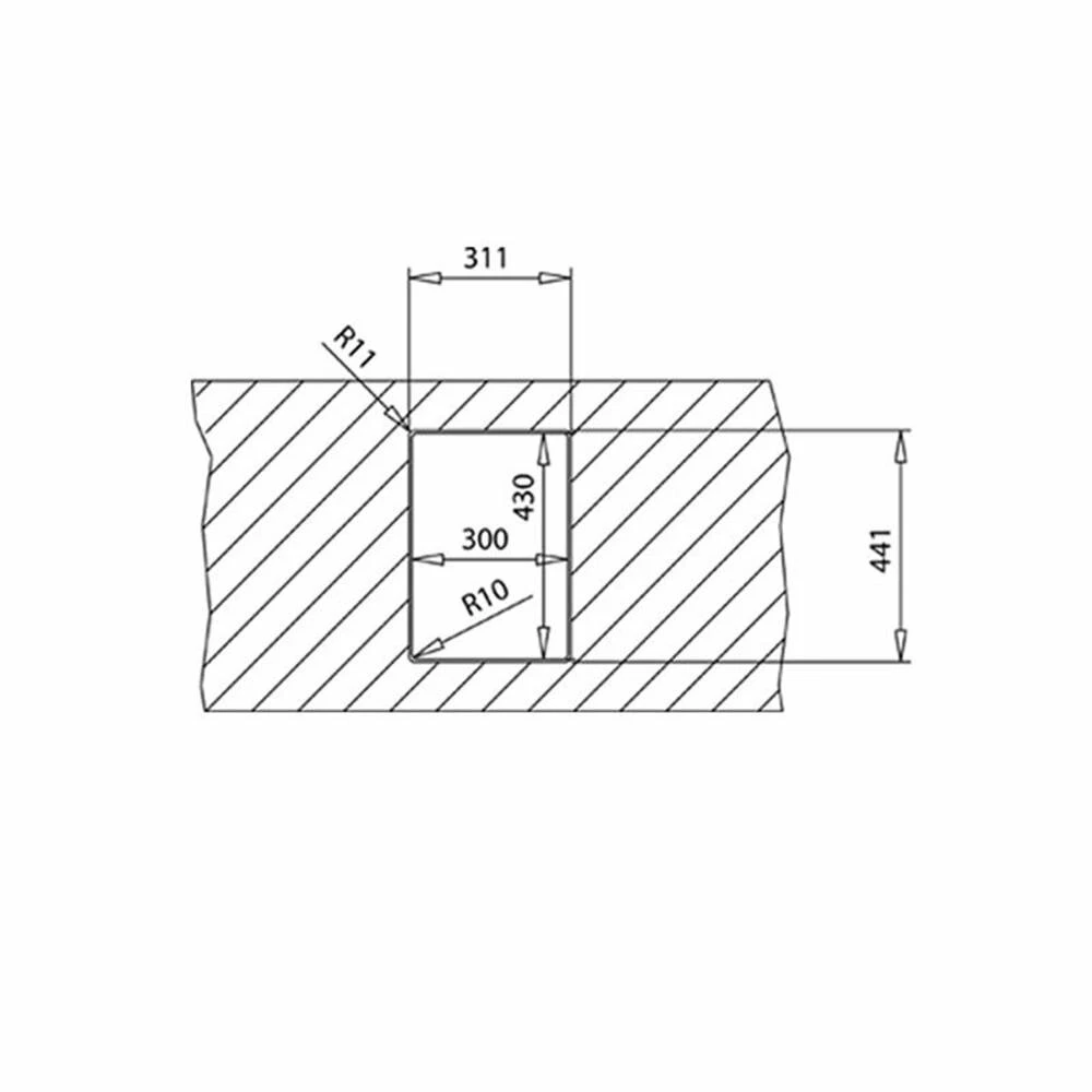
- Außenmaße: B 310 x T 440 mm
- Beckengröße: B 270 x T 400 x H 200 mm
- Ausschnittmaße: B 300 x T 430 mm
- Einbaubar im Unterschrank: ab 45er Schrank
- PureLine Edelstahl-Einbauspüle aus 18/10 Edelstahl
- R15 Radius für leichte Reinigung
- Materialstärke 1 mm
- SilenSmart, 50 % Reduzierung der Wassereinlaufgeräusche
Im Lieferumfang enthalten
- Ab- und Überlaufgarnitur mit Siebkorbventil 3,5″ für Handbedienung und Siphon
- Eckige SQ-Design-Ablauf-Abdeckung
Optionales Zubehör:
- Bitte klicken Sie dazu den Reiter „Zubehör“ an.

























Rezensionen
Es gibt noch keine Rezensionen.